Ременный привод появился еще в 1956 году. До этого в силовых агрегатах автомобилей использовалась только цепь. Ремень связывает валы двигателя, производя синхронизацию их работы. Привод ГРМ – это очень важно. Беря в учет данный факт, нужно все время следить за его состоянием и вовремя совершать замену. Замену ремня можно поручить специалистам, но можно и произвести ее самостоятельно. Для этого нужно только внимательно ознакомиться с инструкцией. Здесь мы будем говорить о замене ременного привода на Мазда 626 2.0.
Видео:Метки ГРМ мазда 626 (2.0 литра)Скачать

Из-за чего привод обрывается
Производители Мазды уверяют, что ресурс ременного привода составляет 150 000 км. Это достаточно много, но расходник может износиться и раньше. А вот какие причины этого могут быть:
При обрыве ремня происходит полная остановка мотора на ходу. Запустить мотор после этого уже не получается, а стартер вращается легче, чем обычно. Иногда во время разрыва может быть слышен стук. Это свидетельство того, что клапаны все же столкнулись с поршнями. После этого уже не нужно пытаться завести мотор, иначе ему может быть нанесен дополнительный вред.
Видео:как поменять грм на мазде 626 2 0Скачать

Регламент замены
В инструкции по эксплуатации автомобиля указан регламент использования ремня ГРМ. В Мазде это 150 000 км. Еще там указано, что вместе с ремнем нужно заменить и натяжной ролик. Конечно, если он еще не износился, делать это необязательно, но ведь очень скоро на нем может появиться люфт, и тогда уже придется вновь разбирать весь механизм из-за замены одного ролика. Поэтому лучше сделать это сразу.
Досрочная замена ременной передачи может быть необходима в следующих случаях:
Рекомендуется почаще производить осмотр ременной передачи, тем более, что сделать это несложно. Вместе с ремнем нужно совершить осмотр звездочек и стенок цилиндров. Если на них появились подтеки масла – это тревожный сигнал.
Внимание: если мотор стал работать неустойчиво, а на холостых оборотах раздаются выстрелы из выхлопной трубы, значит нужно осмотреть ремень еще раз. Скорее всего, фазы распределения газов сдвинулись. Это может случиться в том случае, если ремень перескочил на несколько зубцов.
Видео:Mazda 626 FE 2.0 FS valve 8 замена помпы грмСкачать

Выбор фирмы
Современные ремни – сделаны из высококачественного материала, они обладают высокотехнологичными качествами, поэтому стоят недешево. Чтобы выбрать качественный расходник, следует придерживаться следующих рекомендаций:
Не стоит покупать подобные расходные материалы в интернет магазинах, так как проверить приведенные выше параметры в этом случае не представится возможным. Лучше покупать ремни в проверенных торговых точках. Кстати, там они продаются в комплексе.
А вот как можно выявить подделку. Если вы считаете, что вам предлагают поддельный товар, попросите показать несколько образцов. На тыльной стороне размещены их номера. У фирменных расходников они всегда разные, а у подделок – одинаковые.
Видео:МАЗДА 626 замена ГРМ и сальников валов ДВССкачать

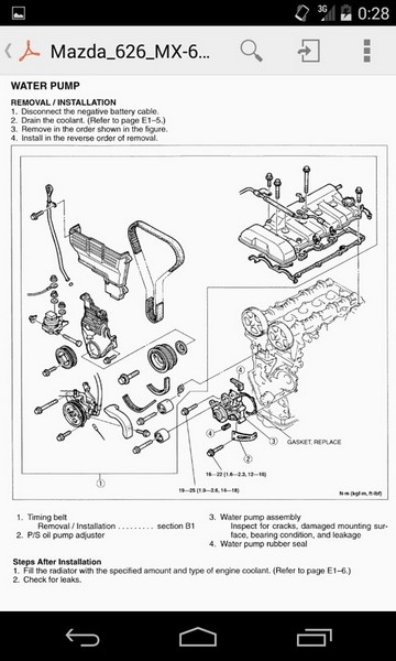
Замена ремня
Главное при замене ременной передачи – следить за совмещением меток. Если они будут сдвинуты, это приведет к нарушению функции распределения газов. Для замены потребуется набор обычных инструментов:
1. Ставим авто на ровное место. Фиксируем ее, установив на тормоз. Поддомкрачиваем машину и снимаем колесо справа.
2. Снимаем защитный кожух.
3. Снимаем защиту картера, брызговики и прочие элементы, которые будут мешать в дальнейшей работе.
4. Заклиниваем коленвал при помощи большой отвертки. Ее надо вставить между зубцов маховика.
5. Откручиваем болт, крепящий шкив коленвала. После этого демонтируем шкив, а болт вкручиваем обратно.
6. Вращаем коленвал до совпадения отметок на звездочках и маховике.
7. Ослабляем натяжение натяжного ролика. Снимаем ремень, затем снимаем и сам ролик.
8. Вынимаем сальники.
Совет: обычно болт шкива закручен очень сильно, и открутить его бывает проблематично. Попросите помощника выдавить тормоза на 5 передаче. Так открутить его будет гораздо проще.
9. Новый привод надо надевать так, чтобы слабина образовалась со стороны натяжителя. Следите за совпадением меток.
10. Начинаем натягивать ремень. Для этого в отверстие натяжного ролика вставляем пассатижи, проворачиваем и закручиваем гайку. Ремень качественно натянут, если его не получается прокрутить больше, чем на 90 градусов.
11. Проводим сборку от обратного, заводим мотор и слушаем, как он работает.
Видео:Замена ремня ГРМ на мазде 626Скачать

Видео
Видео:"ГТ" Регулировка клапанов Мазда 626 GD двиг (FE8 - 2.0i), метки ГРМ, гнет ли клапана!??Скачать

Замена ремня ГРМ и помпы Mazda 626
Возникла необходимость в замене ГРМ и помпы на Mazda 626
Вывесил машину на опорах. Тут стоит подстраховаться, и на всякий случай подложить под лонжерон кирпичей. Далее, сначала лучше сорвать болт шкива коленвала. Я пытался сделать это выжав тормоз на 5-й передаче — ни в какую. Пришлось срывать стартером. Метод опасен для жизни стартера, но на практике оказался весьма действенным.
Далее домкратим двигатель в поддон. Что бы ничего не замять, я подложил кусок фанеры. Откручиваю переднюю опору. Проверяю, что двигатель устойчив, снимаю опору.
Далее ГУР. Ослабляем ось натяжителя, ослабляем… и тут проблема. Подлезть к болту, фиксирующему натяжитель, нереально! Мне удалось зацепить туда рожковый ключ, но не провернуть. Режу ремень, и откручиваю ГУР вместе с креплением.

Как оказалось в дальнейшем – не зря; лишний раз не мешался.
Далее генератор. Ось натяжителя генератора находится в районе масляного фильтра. Лезем под машину, ломаем руку в 10 раз и отворачиваем на оборот. С фиксатором тут все проще и доступнее.
Вот такие ремни были сняты.
Далее снимаю крышку ГРМ. Засрано конечно, но уже не так как два года назад. Промывки все-таки делают свое дело.
Откручиваю шкив помпы, снимаю шкив коленвала. Снимаю защиты ремня ГРМ (4 болта верхняя и 4 — нижняя);
Выставляю все по меткам. Фиксирую стальной проволокой.
Далее ослабил ролик, снял ремень ГРМ. Снял ролики.
Кстати решил попробовать ролики грм Триалли
Вот такой ремень ГРМ:
И вот такой ролик натяжителя:
Откручиваю (5 болтов) и снимаю помпу.
Состояние весьма неплохое: люфтов нет, утечек тоже; присутствует только мерзкий скрип.
Каналы на воздухе начинают моментально ржаветь.
В темпе, без фанатизма, мажу герметиком посадочное место
Прокладку (Прокладку взял ту, что стояла. Оригинальная, металлическая со напыленной резиной. Это лучше, чем кусок бумаги от GMB)
Устанавливаю на место, соблюдая моменты затяжки.
После установки помпы заливаю антифриз. Оригинал — FL22. Не знаю, как японские инженеры измеряли объем, указав в инструкции 7литров, у меня вошло примерно 5,5, включая расширительный бачок (отмечу, что старый антифриз дополнительно был слит из термостата, патрубков печки и помпы).
Далее, отверткой выковыриваю передний сальник коленвала и ставлю новый. Это уже скорее для профилактики. Устанавливать жутко неудобно, но возможно.
Устанавливаю новые ролики, затягиваю нужным моментом; устанавливаю ремень; поворачиваю ролик натяжителя и вешаю пружинку.
Далее кручу болт коленвала на 2 оборота и проверяю метки. С первого раза получилось все четко.
Метка на шестерне коленвала
Далее сборка в обратной последовательности: защита — низ, верх; шкив помпы, шкив коленвала, крышка с новой прокладкой, новые ремни генератора и ГУРа, передняя опора двигателя.
Завожу, проверяю работу двигателя, наличие утечек.
На всякий случай проверил угол опережения зажигания стробоскопом.
Перечень запчастей:
GMB G WMZ-69A Насос системы охлаждения 834,55
Nsk 62ATB0733A04B01B Ролик натяжной ремня ГРМ 2207,08
Nsk ZX-52ST528 Ролик ремня ГРМ 450,62
Mazda FS01-12-711 пружина возвратная 103
Mazda FP01-12-205A9A ремень приводной зубчатый 1208
Elring 864.040 прокладка клапанной крышки резиновая 313
Contitech 5 PK 1150 ремень приводной поликлиновой 302
Contitech 4PK925 Ремень поликлиновый 260
Mazda FS0610602 Сальник коленвала 288
Mazda 0000-77-508E20 Антифриз 3,75л 1100
Работы по замене ГРМ и помпы на Mazda 626 закончены
Ремонт распределителя зажигания S5 Mazda 626
Проблема: пропала искра в Mazda626. При увеличении скорости машина начинает дергаться, как будто бензина не хватает.
Видео:Как выставить метки на ГРМ мазда 626 2.2 12 клапаннаяСкачать

avtoexperts.ru
Видео:"ГТ" Замена ремня ГРМ на Мазда 626 GC 1.6LСкачать

Ответы (1)
Для замены ремня ГРМ на автомобиле Mazda 626 GF многие владельцы этой машины обращаются за помощью в специализированные автосервисы, где подобная услуга обойдется в среднем в 2000 – 3000 рублей, а в более дорогих сервисах цена может увеличиться вдвое. Однако заплатив эту не очень то и большую сумму, вы не получаете 100-процентную гарантию того, что все будет выполнено качественно, поэтому осуществить замену ремня можно своими силами. Все что потребуется – хороший комплект ключей, яма и домкрат, сам ремень и 4 – 5 часов свободного времени, хотя в первый раз может понадобиться и больше времени.
1) Загоняем автомобиль на яму и поднимаем на домкрат, чтобы окрутить правое переднее колесо, мешающее нам снять защиту. От аккумулятора отсоединяем клемму. Затем не до конца откручиваем болты со шкива помпы и осторожно снимаем насос гидроусилителя, а чтобы он нам не мешал, подвешиваем его на проволоку где-нибудь сбоку. Снимаем с помпы шкив, после, ослабив крепление генератора, снимаем с генератора ремень.
2) Далее домкрат переставляем под поддон, дабы с его помощью слегка приподнять мотор. Снимаем подушки двигателя, для этого необходимо открутить гайки и болты крепления. Регулировка домкрата позволит облегчить этот процесс. Переходим на крышку клапанов и отсоединяем/откручиваем все, что может помешать ее снятию, после чего снимаем крышку.
3) Переходим на коленвал, который, при помощи накидной головки и воротка, необходимо провернуть до тех пор, пока литера «Т» на пластиковой защите не совпадет с пометкой «ВМ» на коленвале. Кроме того необходимо выставить в один уровень метки «I» и «E» на шкивах распредвала. Просим помощника оказать помощь в съеме шкива коленвала. Нам понадобиться головка и какая-то труба, играющая роль рычага для того, чтобы сорвать болт. Помощника отправляем в салон, его обязанности – «втыкнуть» пятую скорость и сильно зажать педель тормоза. Отвинчиваем болт шкива.
4) Подбираемся непосредственно к ремню ГРМ. Первым делом удаляем его пластиковую защиту. Вооружившись ярким маркером или корректором, ставим метки на зубьях распредвалов и впадинах ремня, а также на шкиве коленвала и ремне. С натяжного ролика стягиваем пружину, после чего снимаем сам натяжитель, открутив для этого крепежный болт. Снимаем ремень, а затем переходим к обводному ролику.
5) Метки переносим со старого ремня на новый ремень, для надежности можно пересчитать зубья между метками. Обводной ролик и натяжитель возвращаем на свои места, но сами болты на них пока не закручиваем. Ориентируясь проставленными метками, натягиваем новый ремень, прокручивание шкивов распредвалов и коленвала облегчит этот процесс. Теперь закручиваем болты на роликах и устанавливаем пружину на натяжитель. Пара оборотов шкива коленвала поможет посадить ремень на место.
С обратной последовательностью собираем все, что снимали ранее. Прокладку, ее лучше взять новую, обмазываем герметиком с обеих сторон. Болты необходимо закручивать в определенной последовательности, их нумерация может быть указана. Запускаем двигатель и слушаем, нет ли никаких посторонних шумов.
Если все хорошо, то забываем про замену ремня примерно на 100 000 километров пробега, при условии, что ремень был оригинальный. В случае если ремень не оригинальный, то после 60 000 километров пробега проверяем его состояние. Код оригинального ремня – FP01-12-SF0, в качестве аналога подойдет продукция любой известной фирмы, например, Conti Tech, Bosch, Gates, Dayco и другие. Код обводного ролика –FS01-12-730A (можно заменить NTN или GMB), код натяжного ролика – FP01-12-700A (аналоги RBH или NSK).
5. Две метки на шкивах распредвала
4. Метка на коленвале и метка на пластиковой защите ГРМ
🌟 Видео
установка зажигания на мазда 626 gd 2 литраСкачать

Замена ремня ГРМ Мазда 626 / Выставляем метки ГРМ Mazda 626 2l / Ремонт и обслуживание МаздыСкачать

Мазда 626 GD 2.0 8V замена ремня ГРМ! Метки ГРМ (двигатель FE)Скачать

Мазда 626.Замена ремня и роликов грм.Скачать

Метки ГРМ Mazda 626 2.0 бензин.Скачать

Как восстановить зажигание на Мазде 626 (1987 - 1992) переходки. Часть 1Скачать

Teilen замена грм мазда 626 2.0Скачать

Мазда 626 / замена ГРМСкачать

Замена ремня ГРМ, Мазда 626 2.0 дизель GD. Гнёт ли клапана на Мазда 626 дизель?Скачать

как снять звездочку грм на мазде 626Скачать

Метки ремня грм мазда 626 2,0 бензин 1983 годСкачать

Метки грм мазда 626 ge 1.8Скачать











































